Electrical Diagrams

This page contains links to wiring diagrams and floor plans showing the locations of fixtures and wire runs.

First floor fixtures
First floor receptacles
Loft fixtures
Circuit 01 - RH Kitchen Receptacle
Circuit 02 - Util Fan, Util, Porch, DR, Loft Stair Lights
Circuit 03 - LH Kitchen Receptacle
Circuit 04 - Kitchen, Hall, LR, Loft Lights, Fans
Circuit 05 - Refrigerator and Disposal Receptacles
Circuit 06 - Bath, Bed, Pantry, Flood, Motion, Front Porch Light
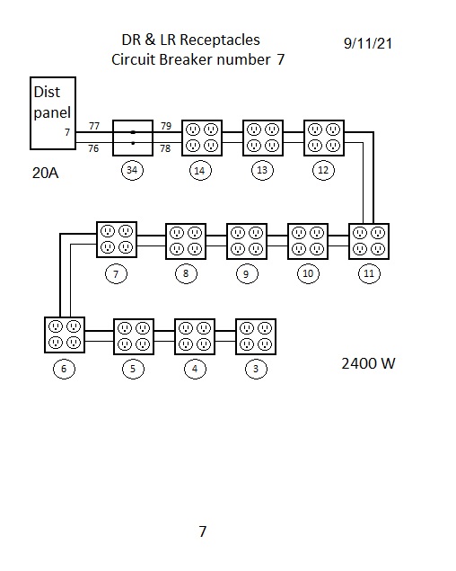
Circuit 07 - DR and LR Receptacles
Circuit 08 - Bath Receptacles
Circuit 09 - Washing Machine Receptacle
Circuit 10 - Bath Fan, Bedroom, LR, Entry & Loft Receptacles
Circuit 11 - Utility Room Receptacles
Circuit 12 - Loft Receptacles and Kitchen Hood
Circuit 13 - Crawl Space Lights
Circuit 14 - Crawl Space Receptacles
Circuit 26, 28 - Clothes Dryer Receptacle
Circuit 30, 32 - Kitchen Range (Direct Wired)
Circuit 31 - Dosing Tank Pump Control
Circuits 33, 34, 35, 36 - Convectair Room Heaters
Circuit 37, 39 - Crawl Space 240v Receptacle
Circuit 38, 40 - Water Heater

Go To Home Page

©2008-2014 Paul R. Martin, All rights reserved.